CLHT:A transformer manufacturer from China.Dry Type Power Transformer is mainly used for high-rise buildings,power plants,commercial centers,and other places that require fire,explosion,and moisture protection through natural cooling or air cooling.
China Transformer Manufacturer:CLHT
Dry Type Transformer Types:SCB10、SCB11
Phase:Three
Service Voltage:11KV/0.415KV
Rated Capacity:50-3150kVA
Email:clhtee@hnclht.com
Tel/WhatsApp:8619937686750
11KV/0.415KV Dry Type Power/Distribution Transformer,It is mainly used for high-rise buildings, power plants, commercial centers, and other places that require fire, explosion, and moisture protection through natural cooling or air cooling. Its iron core and winding have no oil insulation, and the shell is made of stainless steel, cold-rolled sheet or aluminum alloy, with flame retardant, explosion-proof, and no maintenance requirements.
11kv/0.415kv Parameters | Rated Capacity(kVA) | High Voltage(kV) |
Tapping Range |
Low Voltage (kV) |
Vector Group |
No-Load Loss(w) |
Load Loss |
No-Load Current (%) |
Short Circuit Impedance (%) |
| 30 |
11 10.5 10 6.6 6.3 |
±5%±2×2.5% |
0.4 |
Dyn11 or Yyn0 |
190 |
710 |
2.4 |
4.0 |
| 50 |
270 |
1000 |
2.4 |
|||||
| 80 |
370 |
1380 |
1.8 |
|||||
| 100 |
400 |
1570 |
1.8 |
|||||
| 160 |
550 |
2130 |
1.6 |
|||||
| 200 |
630 |
2530 |
1.4 |
|||||
| 250 |
720 |
2760 |
1.4 |
|||||
| 315 |
880 |
3470 |
1.2 |
|||||
| 400 |
980 |
3990 |
1.2 |
|||||
| 500 |
1160 |
4880 |
1.2 |
|||||
| 630 |
1350 |
5880 |
1.0 |
|||||
| 800 |
1520 |
6960 |
1.0 |
6.0 |
||||
| 1000 |
1770 |
8130 |
1.0 |
|||||
| 1250 |
2090 |
9690 |
1.0 |
|||||
| 1600 |
2450 |
11730 |
1.0 |
|||||
| 2000 |
3050 |
14450 |
0.8 |
|||||
| 2500 |
3600 |
17170 |
0.8 |
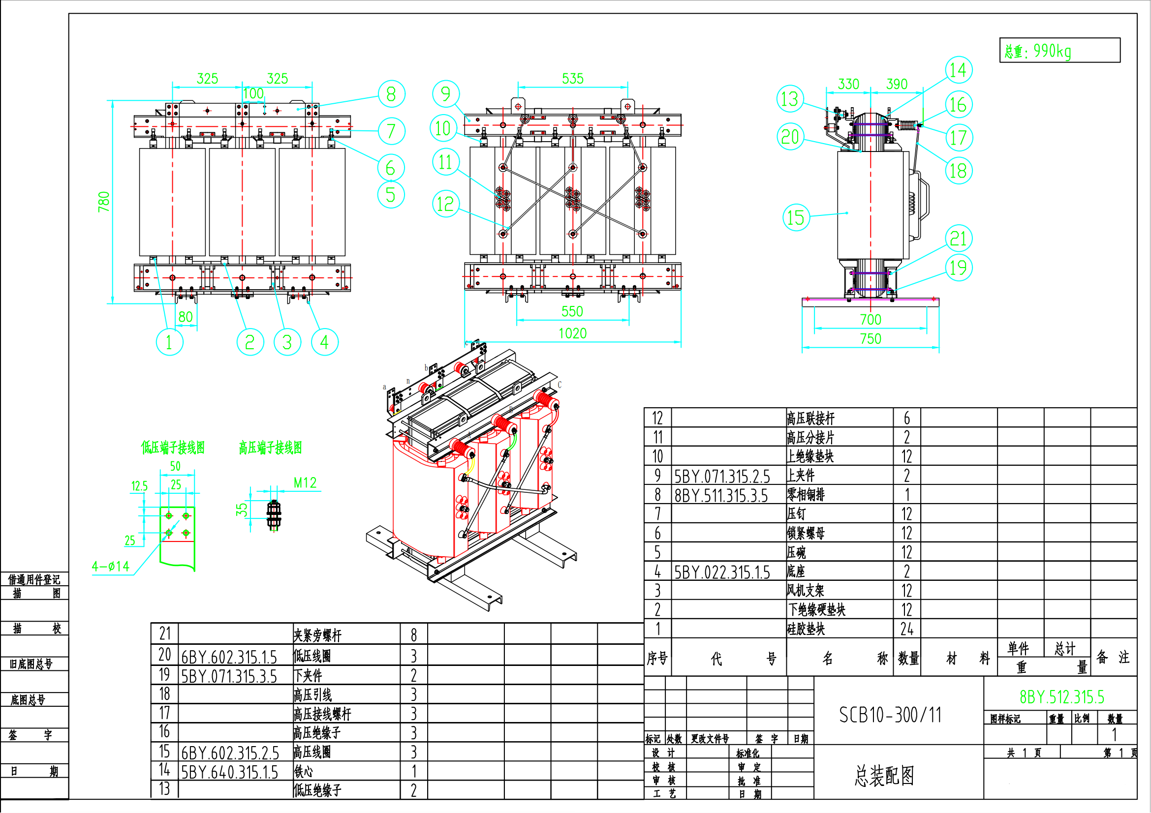
Product Drawing 
Product Advantage Utilizing high-permeability silicon steel sheets and foil winding structure, the no-load loss is reduced by 30% compared to traditional models, and the load loss is reduced by 20%.
Using high-quality copper coils, with a partial discharge capacity of less than 10PC, the coils feature moisture and dust resistance, and mechanical strength that is industry-leading.
By using flame-retardant materials such as epoxy resin casting, the risk of insulating oil leakage is eliminated, effectively preventing fire and explosion accidents.

Project Case CLHT products are sold to 38 countries and regions worldwide(Among them, including Bangladesh, Malaysia, Mozambique, etc). We have signed supply agreements with local power bureaus for three consecutive years, contributing our modest efforts to the construction of the national power grid.Its export products include resin cast dry-type transformers and oil immersed step-down transformers, with capacities ranging from 200kVA to 2000kVA on load tap changers.

ABOUT CLHT China Transformer Supplier:CLHT has a super large modern industrial plant of 80000 square meters, 80 sophisticated production lines, more than 300 sets of imported production and testing equipment, and total assets of 205 million yuan. Three major production bases have been established successively in Henan, Hebei, and Jiangsu, introducing more than 20 industry backbones with an annual production capacity of over 5000 units and an output value of about 2 billion yuan.

Production Equipment CLHT has a super large modern industrial plant of 80000 square meters, 80 sophisticated production lines, more than 300 sets of imported production and testing equipment, and total assets of 205 million yuan. Three major production bases have been established successively in Henan, Hebei, and Jiangsu, introducing more than 20 industry backbones with an annual production capacity of over 5000 units and an output value of about 2 billion yuan.
